热门搜索: 山西文物 博物馆 纪念馆 世界文化遗产
国家局信息
时政要闻
省内要闻
省直动态
市县信息
行业动态
组织概况
党建信息
理论学习
党风廉政
创先争优
组织机构 机构设置 领导信息
政府信息公开 信息公开指南 主动公开基本目录 政府信息公开年报
政策法规 法律法规 政策文件 国际公约 政策法规解读
通知公告 人事信息 招标公告 其他公告
中央经济工作会议精神和《山西省政府工作报告》落实情况
建议提案 人大建议答复 政协提案答复
法治政府建设
办事指南
办事流程
审批公告
权责清单
动态信息
通知公告
视频展播
晋地宝藏
线上展览
文化遗产展示工程
行政执法
山西文物保护成果展
学习宣传宪法 贯彻落实宪法
聚焦两会
国家网络安全宣传周
学习贯彻党的二十大精神
国际博物馆日
八五普法
文博影像
世界标准日
国家安全教育日
山西省第四次全国文物普查
涉企行政检查
文物保护法
其他
文化和自然遗产日
网上留言 领导信箱 监督投诉 文物举报 业务咨询 信访业务
政府信息公开意见箱
文物类别 世界文化遗产 不可移动文物 可移动文物 博物馆/纪念馆 名城名镇名村
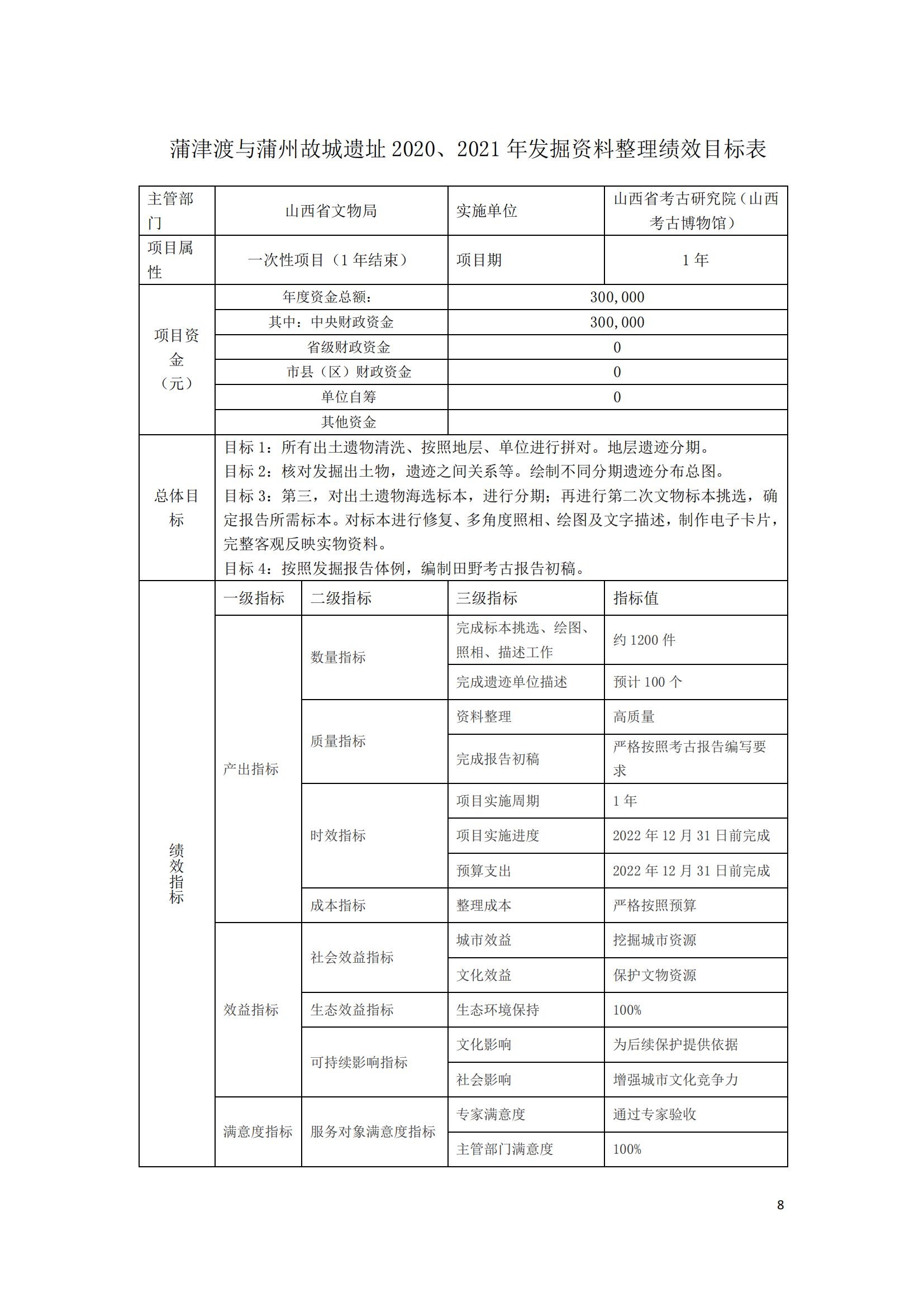
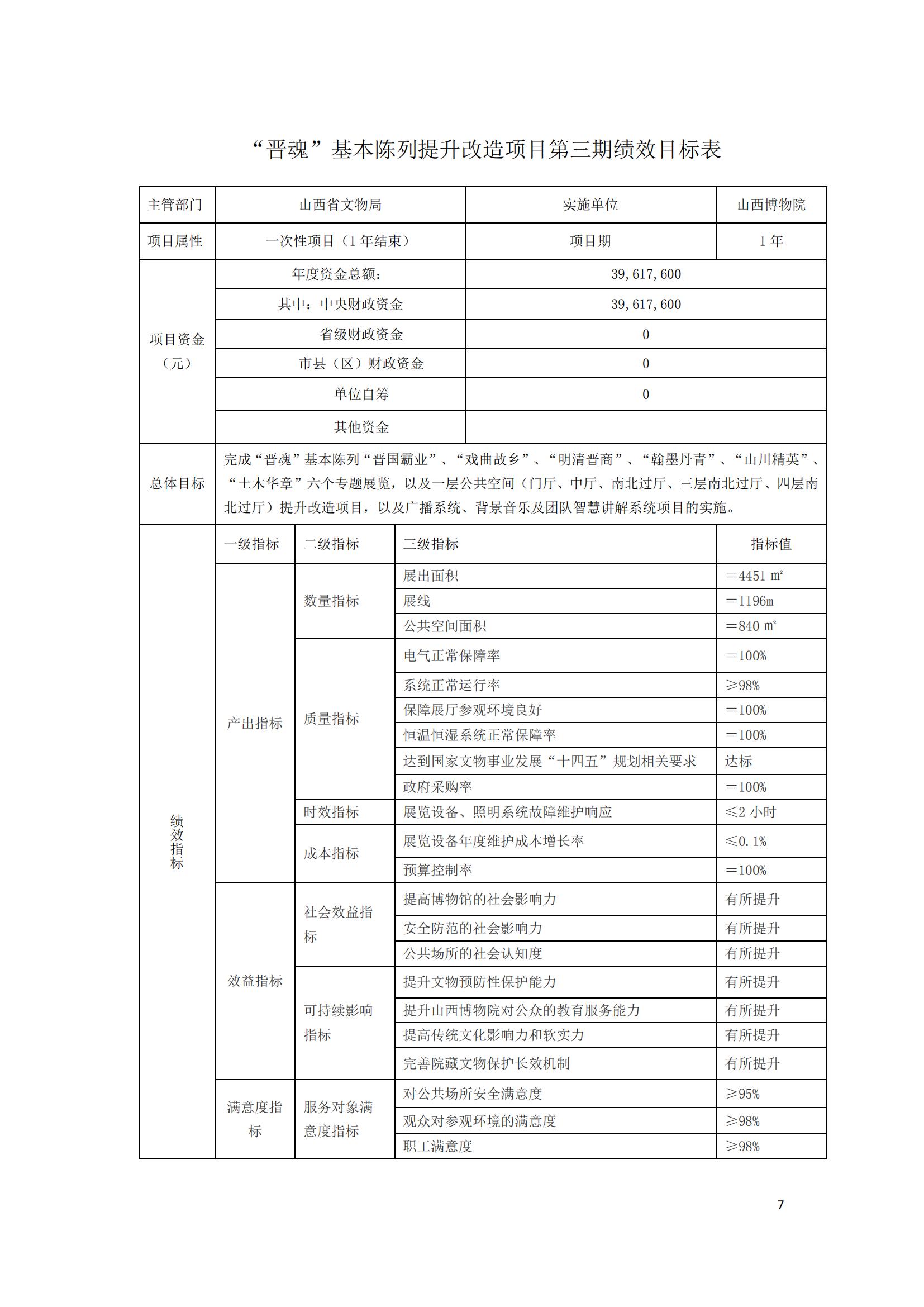
上一篇 : 山西省文物局2023年度部门预算
下一篇 : 山西省文物局2021年度部门预算